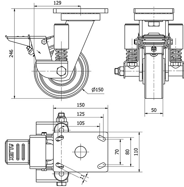
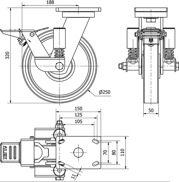
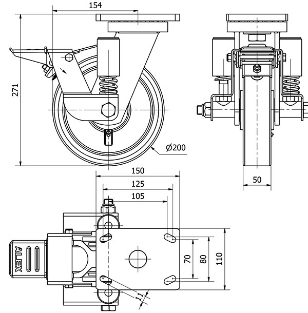
SERIE HLS-HU, Giratorio/Platina/Freno RuedaRuedas con núcleo de acero y banda de poliuretano fundido con dureza de 95˚ shore A, especialmente indicada para soportar altas cargas hasta 1.250 Kg. Con soporte de suspensión elástica mediante incorporación de muelle muy resistente, ideal en suelos irregulares donde su amortiguación actúa.
Se aplica en útiles de transporte logístico, área de exteriores, logística interna, gradas móviles, plataformas elevadoras, carros de transporte, logística material misiones, maquinaria pesada del sector de la construcción, grúas móviles. Principalmente en el sector aeronáutico, ferroviario y automoción.
HU: alta absorción a los golpes. Condiciones de pavimento desfavorables. Superficies rugosas, quebradas, con virutas metálicas, manchas de aceite, cristales, grasas, grava.
Fabricada con acero soldado desde 8 m/m hasta 18 m/m de espesor. Acabado cincado pintado negro. Soporte con suspensión elástica mediante incorporación de muelle muy resistente. Recorrido del muelle hasta 24,5mm para una carga de 700 kg. Especialmente diseí±ada para absorber por amortiguación: golpes, Choques y desniveles. Fabricadas según normas europeas EN 12532/12533.
| Referencia | Descripción | Diámetro (mm) | Cojinete | Ean | |
|---|---|---|---|---|---|
| 2-4039 | R.GIR.PLACA FR.10HLSEFN150-HUB SUSPENSION HIERRO-POLIUR.NARANJ.BOLAS | 150 | Bolas | 8422202240398 | |
| 2-4040 | R.GIR.PLACA FR.10HLSEFN200-HUB SUSPENSION HIERRO-POLIUR.NARANJ.BOLAS | 200 | Bolas | 8422202240404 | |
| 2-4041 | R.GIR.PLACA FR.10HLSEFN250-HUB SUSPENSION HIERRO-POLIUR.NARANJ.BOLAS | 250 | Bolas | 8422202240411 |
Clasificación AECOC:
SECTOR FERRETERÍA Y BRICOLAJE FERRETERÍA RUEDAS RUEDAS CON SOPORTE GIRATORIO (08080803)