ALEX SERIE HLS-HUAB, Fijo/Platina/Sin Freno


Descripción

Ruedas con núcleo de acero y banda de poliuretano fundido con dureza de 95˚ shore A con banda de rodadura en forma balona, especialmente indicada para soportar altas cargas hasta 800 Kg. Con soporte de suspensión elástica mediante incorporación de muelle muy resistente, ideal en suelos irregulares donde su amortiguación actúa.


Se aplica en útiles de transporte logístico, área de exteriores, logística interna, gradas móviles, plataformas elevadoras, carros de transporte, logística material misiones, maquinaria pesada del sector de la construcción, grúas móviles. Principalmente en el sector aeronáutico, ferroviario y automoción.


HUAB: Maxima maniobrabilidad. Alta absorción a los golpes. Condiciones de pavimento desfavorables. Superficies rugosas, quebradas, con virutas metálicas, manchas de aceite, cristales, grasas, grava.


Características

Fabricada con acero soldado desde 8 m/m hasta 18 m/m de espesor.


Acabado cincado pintado negro.


Soporte con suspensión elástica mediante incorporación de muelle muy resistente.


Recorrido del muelle hasta 24,5mm para una carga de 700 kg.


Especialmente diseñada para absorber por amortiguación: golpes, Choques y desniveles.


Fabricadas según normas europeas EN 12532/12533.

Listado de referencias

Referencia Descripción
2-3544R.FIJA 17HLSE150-HUAB SUSPENSION POLIUR.NARANJA EJE BOLAS BALONA
2-3545R.FIJA 17HLSE200-HUAB SUSPENSION POLIUR.NARANJA EJE BOLAS BALONA

Clasificación AECOC:
SECTOR FERRETERÍA Y BRICOLAJE FERRETERÍA RUEDAS RUEDAS CON SOPORTE FIJO (08080802)

SERIE HLS-HUAB, Fijo/Platina/Sin Freno
SERIE HLS-HUAB, Fijo/Platina/Sin Freno
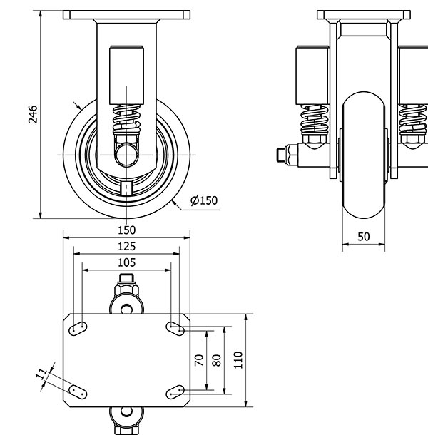
R.FIJA 17HLSE150-HUAB SUSPENSION POLIUR.NARANJA EJE BOLAS BALONA
R.FIJA 17HLSE150-HUAB SUSPENSION POLIUR.NARANJA EJE BOLAS BALONA
R.FIJA 17HLSE150-HUAB SUSPENSION POLIUR.NARANJA EJE BOLAS BALONA
R.FIJA 17HLSE150-HUAB SUSPENSION POLIUR.NARANJA EJE BOLAS BALONA
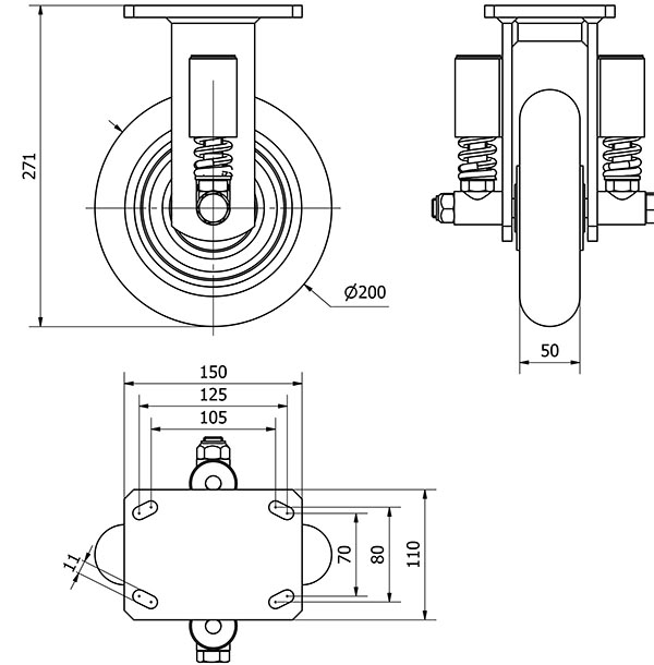
R.FIJA 17HLSE200-HUAB SUSPENSION POLIUR.NARANJA EJE BOLAS BALONA
R.FIJA 17HLSE200-HUAB SUSPENSION POLIUR.NARANJA EJE BOLAS BALONA
R.FIJA 17HLSE200-HUAB SUSPENSION POLIUR.NARANJA EJE BOLAS BALONA
R.FIJA 17HLSE200-HUAB SUSPENSION POLIUR.NARANJA EJE BOLAS BALONA
SERIE HLS-HUAB, Fijo/Platina/Sin Freno
R.FIJA 17HLSE150-HUAB SUSPENSION POLIUR.NARANJA EJE BOLAS BALONA
R.FIJA 17HLSE150-HUAB SUSPENSION POLIUR.NARANJA EJE BOLAS BALONA
R.FIJA 17HLSE200-HUAB SUSPENSION POLIUR.NARANJA EJE BOLAS BALONA
R.FIJA 17HLSE200-HUAB SUSPENSION POLIUR.NARANJA EJE BOLAS BALONA